YZPST-6A10T


|
SYMBOLS |
6A05T |
6A1 T |
6A2T |
6A4T |
6A6T |
6A8T |
6A10T |
UNITS |
||
|
Maximum repetitive peak reverse voltage |
VRRM |
50 |
100 |
200 |
400 |
600 |
800 |
1000 |
VOLTS |
|
|
Maximum RMS voltage |
VRMS |
35 |
70 |
140 |
280 |
420 |
560 |
700 |
VOLTS |
|
|
Maximum DC blocking voltage |
VDC |
50 |
100 |
200 |
400 |
600 |
800 |
1000 |
VOLTS |
|
|
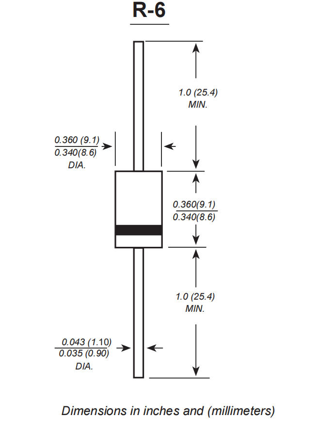
Maximum average forward rectified current 0.375”(9.5mm) lead length at TA=60 C |
I(AV) |
6.0 |
Amps |
|||||||
|
Peak forward surge current 8.3ms single half sine-wave superimposed on rated load (JEDEC Method) |
IFSM |
400 |
Amps |
|||||||
|
Maximum instantaneous forward voltage at 6.0A |
VF |
0.95 |
Volts |
|||||||
|
Maximum DC reverse current at rated DC blocking voltage |
TA=25 C TA=100 C |
IR |
10.0 400 |
μA |
||||||
|
Typical junction capacitance (NOTE 1) |
CJ |
150 |
pF |
|||||||
|
Typical thermal resistance (NOTE 2) |
RθJA |
10.0 |
。C/W |
|||||||
|
Operating junction and storage temperature range |
TJ,TSTG |
-65 to +175 |
。C |
|||||||
