Zipper closure
1/5 zip athletic pullovers for men. Stretchy, lightweight, fast-drying
fabric for superior performance.
REGULAR FIT - US standard sizes. An athletic fit that sits close to the
body
for a wide range of motion, designed for optimal performance and all day
comfort.
FEATURES - Quarter zip closure;Thumbholes on long sleeves to keep them
in
place during workout

1200V SiC Schottky Diode
YZPST-RD060120H
Features
Zero Forward Recovery Voltage
Zero Reverse Recovery Current
Excellent Surge Current Capability
Temperature Independent Switching
Positive Temperature Coefficient on VF
High Frequency Operation
Benefits
Replace Bipolar with Unipolar Rectifiers
Essentially No Switching Losses
High Efficiency
Reduction of Heat Sink Requirements
Parallel Devices Without Thermal Runaway
Application
Parallel Devices Without Thermal Runaway
Power Factor Correction
DC-AC Inverters
DC-DC Inverters
|
Parameter
|
Value
|
Unit
|
|
VRRM
|
1200
|
V
|
|
IF(TC =145℃)
|
60
|
A
|
|
QC
|
306
|
nC
|
Maximum ratings at Tj =25℃, Unless otherwise specified
|
Parameter
|
Symbol
|
Test Condition
|
Value
|
Unit
|
|
Repetitive Peak Reverse Voltage
|
VRRM
|
|
1200
|
V
|
|
Forward Current
|
IF
|
TC =25℃
TC =145℃
|
155
60
|
A
|
|
Non-Repetitive Forward Surge Current
|
IFSM
|
TC =25°C, tp =10ms, Half Sine Wave
|
450
|
A
|
|
Power Dissipation
|
Ptot
|
TC =25℃, Tj =175℃
|
535
|
W
|
|
Operating and Storage Temperature
|
Tj, Tstg
|
|
-55 to +175
|
℃
|
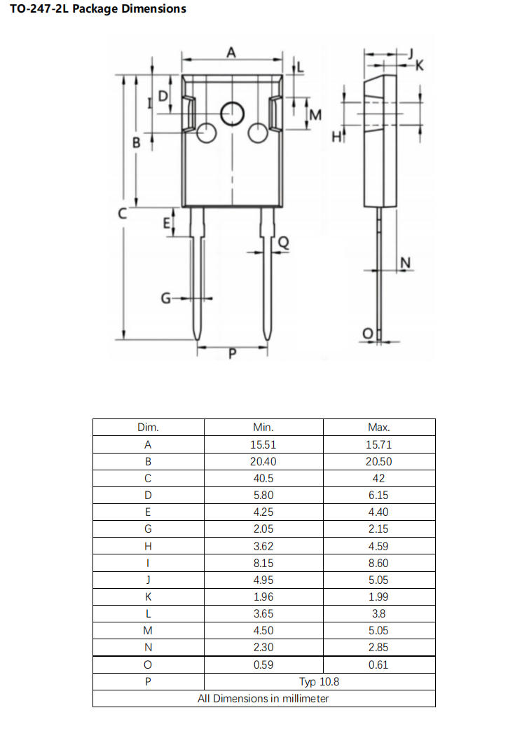
TO-247-2L Package Dimensions